قسم الميكروكنترولر والروبوت ودوائر الاتصال بالحاسب الالي قسم المتحكمات الـ microcontroller و المعالجات microprocessor و التحكم الرقمي بالكمبيوتر CNC والانظمة الآلية والروبوت Robots

أدوات الموضوع

الصورة الرمزية بديع87
بديع87
:: مهندس ::
تاريخ التسجيل: Jan 2010
الدولة: سوريا
المشاركات: 41
نشاط [ بديع87 ]
قوة السمعة:0
قديم 18-01-2010, 03:14 AM المشاركة 1   
افتراضي أقوى مبرمجة لكافة متحكمات AVR Twitter FaceBook Google+



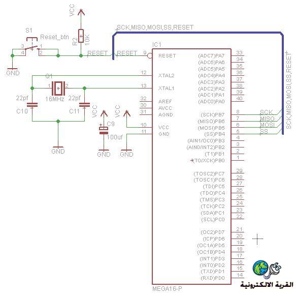
أحببت أن أقدم لكم هذه المبرمجة البسيطة جدا للمتحكمات المصغرة من عائلة AVR .
هذه المبرمجة هي مبرمجة تفرعية ( تعتمد على المنفذ التفرعي للحاسب LPT Port ) و هي مدعومة من قبل البرنامج الشهير BASCOM AVR
و هي قادرة على برمجة معظم متحكمات AVR من كافة العائلات .
يجب تغذية المتحكم أثناء برمجته (لكي تستغني عن التغذية الخارجية قم بتغذية المتحكم من منفذ USB) .
فقط قم بتوصيل مخارج المبرمجة غلأى الأرجل المناسبة للمتحكم المراد برمجته
أهم مميزات هذه المبرمجة أنه تعمل في نمط RUN Mode مما يعني أنه يمكن برمجة المتحكم و هو في نمط العمل أي لا داعي لإيقاف النظام أثناء البرمجة .
الدارة التالية هي دارة المبرمجة و قد قمت بتطبيقها على المتحكم ATMEAG16 الشهير

أقبلوها عربون محبة من أخيكم بديع .





اعلانات

الصورة الرمزية بديع87
بديع87
:: مهندس ::
تاريخ التسجيل: Jan 2010
الدولة: سوريا
المشاركات: 41
نشاط [ بديع87 ]
قوة السمعة:0
قديم 18-01-2010, 03:20 AM المشاركة 2   
افتراضي


بعض الملاحظات بالنسبة للمبرمجة :
1 - لا داعي لاستخدام أو إضافة كريستالة أثناء البرمجة .
2 - تغذية المتحكم و الشريحة 74ls244 هي 5 فولط .
3 - لا تنسى وصل القطب Reset مع المبرمجة .
4 - لا تنسى وصل سالب المبرمجة مع سالب المتحكم .

اعلانات اضافية ( قم بتسجيل الدخول لاخفائها )
  

الصورة الرمزية king5star
king5star
:: مهندس جيد ::
تاريخ التسجيل: Jun 2008
الدولة: Alexandria, Egypt
المشاركات: 240
نشاط [ king5star ]
قوة السمعة:0
قديم 18-01-2010, 12:43 PM المشاركة 3   
Thumbs up


شكراً يا بشمهندس على المبرمجة الرائعة

انا والله كنت بدور على واحدة بقالى مدة وكنت قلق احسن ما متكونش فعاله لكن

علشان ان قولت شغالة يبقى حطبقها

ولك جزيل الشكر...،


الصورة الرمزية ah78
ah78
:: مهندس متواجد ::
تاريخ التسجيل: Apr 2006
المشاركات: 71
نشاط [ ah78 ]
قوة السمعة:0
قديم 18-01-2010, 07:24 PM المشاركة 4   
افتراضي


شكرا لك اخ بديع هل يوجد عندك مخطط لنفس المبرمجة على USB


الصورة الرمزية بديع87
بديع87
:: مهندس ::
تاريخ التسجيل: Jan 2010
الدولة: سوريا
المشاركات: 41
نشاط [ بديع87 ]
قوة السمعة:0
قديم 22-01-2010, 02:06 AM المشاركة 5   
افتراضي


لا شكر على واجب .........


الصورة الرمزية بديع87
بديع87
:: مهندس ::
تاريخ التسجيل: Jan 2010
الدولة: سوريا
المشاركات: 41
نشاط [ بديع87 ]
قوة السمعة:0
قديم 22-01-2010, 02:08 AM المشاركة 6   
Post


شكرا لك اخ بديع هل يوجد عندك مخطط لنفس المبرمجة على USB
للأسف لا يوجد عندي مبرمجة على منفذ USB
لكن يمكن أن تستخدم تحويلة USB==>>PARALLEL فهي كفيلة بحل مشكلتك


الصورة الرمزية ah78
ah78
:: مهندس متواجد ::
تاريخ التسجيل: Apr 2006
المشاركات: 71
نشاط [ ah78 ]
قوة السمعة:0
قديم 22-01-2010, 04:41 PM المشاركة 7   
افتراضي


والله يااخ بديع انا سويت مبرمجة للAVR تعمل على برنامج pony prog
تعتمد على المنفذ التسلسلي للحاسب rs232 وقمت بشراء تحويلة
USB==>>rs232
ولكن مااشتغلت علما انها تعرفت على جهاز الكومبيوتر هل عندك حل لهذه المشكلة


meguedmi6
:: مهندس متواجد ::
تاريخ التسجيل: Nov 2009
المشاركات: 128
نشاط [ meguedmi6 ]
قوة السمعة:0
قديم 22-01-2010, 08:01 PM المشاركة 8   
افتراضي


من فضلكم أريد تفاصيل أكثر على الA.V.R .



التعديل الأخير تم بواسطة : meguedmi6 بتاريخ 22-01-2010 الساعة 08:10 PM السبب: موقع أخر مكتوب على الصورة
إضافة رد

العلامات المرجعية

«     الموضوع السابق       الموضوع التالي    »
أدوات الموضوع

الانتقال السريع إلى


الساعة معتمدة بتوقيت جرينتش +3 الساعة الآن: 08:26 PM
موقع القرية الالكترونية غير مسؤول عن أي اتفاق تجاري أو تعاوني بين الأعضاء
فعلى كل شخص تحمل مسئولية نفسه إتجاه مايقوم به من بيع وشراء وإتفاق وأعطاء معلومات موقعه
التعليقات المنشورة لا تعبر عن رأي موقع القرية الالكترونية ولايتحمل الموقع أي مسؤولية قانونية حيال ذلك (ويتحمل كاتبها مسؤولية النشر)

Powered by vBulletin® Version 3.8.6, Copyright ©2000 - 2025