القرية الإلكترونية - الكترونيات - كمبيوتر - هاردوير - خدمات المواقع - كهرباء - فضائيات - جوال - اتصالات - تكييف وتبريد - اجهزة الانتاج الزراعي - كهرباء السيارات

كود تفعيل العضوية - الابلاغ عن روابط لاتعمل - صيانة التلفزيون - الحاسبة - الأعضاء المتميزين - البرامج و المخططات - بث مباشر للقنوات الفضائية - إذاعة - تردد القنوات - بحث


لوحة مفاتيح عربية

العودة   منتدى القرية الإلكترونية > القسم الالكتروني > منتدى الإلكترونيات
التسجيل       اجعل كافة المشاركات مقروءة

منتدى الإلكترونيات قسم الالكترونكس لمناقشة الافكار والمعلومات المتعلقة بالهندسة الالكترونية للمبتدئين والهواة والفنيين - Electronics

رد
 
أدوات الموضوع
قديم 11-07-2012, 10:26 AM   #1
sasa10010030
مهندس متواجد
 
الصورة الرمزية sasa10010030

المشاركات: 82
أحصائية الترشيح

عدد النقاط : 10


النشاط

معدل تقييم المستوى: 0
ha هل ينفع ادخل 9 فولت متردد بدل من تسعه فولت مستمر ؟

انا عملت الدايره دى بلاين تلفيزيون ونجحت وكل حاجه

http://img820.imageshack.us/img820/3278/mje13009.png


http://img683.imageshack.us/img683/8...backdriver.png


http://img683.imageshack.us/img683/8...09sparkgap.png


السؤال بقى \هل ينفع ادخل 9 فولت متردد بدل من تسعه فولت مستمر ؟
ارجو المساعده
sasa10010030 غير متواجد حالياً   رد مع اقتباس مشاركة محذوفة
اعلانات
قديم 11-07-2012, 10:53 AM   #2
فكروعلم
عضو ماسي
 
الصورة الرمزية فكروعلم

الدولة: سوريا
المشاركات: 5,608
أحصائية الترشيح

عدد النقاط : 10928


النشاط

معدل تقييم المستوى: 381
افتراضي

استعمل مستمر وريح بالك وأنسى المتناوب
فكروعلم غير متواجد حالياً   رد مع اقتباس مشاركة محذوفة
اعلانات اضافية ( قم بتسجيل الدخول لاخفائها )
  
قديم 11-07-2012, 11:26 AM   #3
sasa10010030
مهندس متواجد
 
الصورة الرمزية sasa10010030

المشاركات: 82
أحصائية الترشيح

عدد النقاط : 10


النشاط

معدل تقييم المستوى: 0
افتراضي

حضرتك شراره المستمر صغيره اوى
sasa10010030 غير متواجد حالياً   رد مع اقتباس مشاركة محذوفة
قديم 12-07-2012, 09:18 AM   #4
sasa10010030
مهندس متواجد
 
الصورة الرمزية sasa10010030

المشاركات: 82
أحصائية الترشيح

عدد النقاط : 10


النشاط

معدل تقييم المستوى: 0
افتراضي

دى حاجه بسيطه جوابها اه او لا

ارجوا المساعده ؟
sasa10010030 غير متواجد حالياً   رد مع اقتباس مشاركة محذوفة
قديم 12-07-2012, 10:45 AM   #5
حيدر علاج حسن
مشرف منتدى الهندسة الكهربائية
 
الصورة الرمزية حيدر علاج حسن

الدولة: IRAQ
المشاركات: 10,061
أحصائية الترشيح

عدد النقاط : 5955


النشاط

معدل تقييم المستوى: 396
افتراضي

اعتقد حتى لو ادخلت متناوب فانه سيعمل في الجزء الموجب من الموجة فقط ...
جرب ادخال مستمر متذبذب ( بدون تنعيم ) بالتاكيد ستحصل على نتائج افضل
حيدر علاج حسن غير متواجد حالياً   رد مع اقتباس مشاركة محذوفة
قديم 12-07-2012, 10:55 AM   #6
sasa10010030
مهندس متواجد
 
الصورة الرمزية sasa10010030

المشاركات: 82
أحصائية الترشيح

عدد النقاط : 10


النشاط

معدل تقييم المستوى: 0
ha

حضرتك انا معايا دائره صاعق أنا أستخدمت لاين التلفزيون بدل من المحول لانه مش موجود , الدايره فيها تحويل من مستمر الى متردد و فيها تذبذب أيضا

حضرتك بعد اذنك تقولى ايه رايك هل هتعمل الشراره المطلوبه للصاعق لكى يخافوا منها البلطجيه ؟
http://t1.gstatic.com/images?q=tbn:A...D9tR1iOBPvUUMQ

ياريت ترد على سؤالى دا طبعا بعد أذنك
sasa10010030 غير متواجد حالياً   رد مع اقتباس مشاركة محذوفة
قديم 13-07-2012, 09:06 AM   #7
sasa10010030
مهندس متواجد
 
الصورة الرمزية sasa10010030

المشاركات: 82
أحصائية الترشيح

عدد النقاط : 10


النشاط

معدل تقييم المستوى: 0
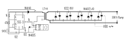
x4 ما وظيفه هذا الجزأ من الدائره

السلام عليكم ورحمه الله وبركاته

ما وظيفه هذا الجزأ من الدائره

http://upload.qariya.info/images/qar...f03e8129ed.gif


[IMG][/IMG]
sasa10010030 غير متواجد حالياً   رد مع اقتباس مشاركة محذوفة
قديم 13-07-2012, 01:08 PM   #8
sasa10010030
مهندس متواجد
 
الصورة الرمزية sasa10010030

المشاركات: 82
أحصائية الترشيح

عدد النقاط : 10


النشاط

معدل تقييم المستوى: 0
افتراضي

مفيش أى مساعده خالص من أى عضو
sasa10010030 غير متواجد حالياً   رد مع اقتباس مشاركة محذوفة
رد

العلامات المرجعية

أدوات الموضوع

تعليمات المشاركة
You may not post new threads
You may not post replies
You may not post attachments
You may not edit your posts

BB code is متاحة
كود [IMG] متاحة
كود HTML معطلة

الانتقال السريع إلى

الساعة الآن: 09:32 AM


Powered by vBulletin® Version 3.8.6, Copyright ©2000 - 2025
Feedback Buttons provided by Advanced Post Thanks / Like (Lite) - vBulletin Mods & Addons Copyright © 2025 DragonByte Technologies Ltd.
القرية الإلكترونية